欢迎访问开云体育域名官网! 标签索引 在线留言 联系我们 网站地图

德国电能质量测试方案提供商

专业kaiyun中国官方登录入口、开yun体育官网入口登录苹果、电能质量分析软件厂家...

全国服务热线13817443004
您所在的位置:

电能质量测试软件监控系统和解决方案

来源:德国GMC电能质量 发布时间:24-09-08 浏览:543 次

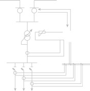
电能质量监测需要一个复杂的测量和分析基础平台,在这里,我们向您介绍避免和消除电能质量干扰的可能性。

1623893738277156.

电能质量规划和设计

1623893738197650.

能质量测量设备的联网趋于IT化,我们向您展示监控的宏观样貌,并在整个项目阶段提供支持。

电能质量测量和显示

1623893738589460.

在整个能源的发电,分配和消耗环节中,我们提供大量不同的测量仪器和传感器技术。

7*24小时电能质量的在线监测

1623893738259414.

我们提供满足标准规范的或个性化需要的在线电能质量监控设备,独特先进经过认证的测量设备确保了高质量的电能质量监控数据。

电能质量的移动便携式测量

1623893738346853.

如果电能质量问题已经存在,我们提供多种种类的便携测量设备和专业技术服务支持,通过测量一段时间内的电能质量来排除故障。

电能质量软件解决方案

1623893738377270.

我们提供全面的行业解决方案,可方便地获取,存储和评估所有测量的电能质量数据。 实现过程可视化,并清楚地总结所有重要的事件信息。 对电能质量数据进行专业评价和分析,如果触发警报,则在所需的终端设备上提示。

电能质量监控项目实施

1623893738398582.

基于合作伙伴和电能质量专家的紧密合作,我们接管并协调整个项目的实现。

电能质量附加应用和自动化

1623893738590488.

我们采用现成的应用程序和自动化解决方案,并将它们巧妙地集成到一个完整的系统中。同时我们将电气值与工艺自动化的其他参数相结合做为一个完整的测试系统。

来自第三方的传感器和设备

1623893738873530.

由于我们的接口的灵活性,我们总是能够用第三方供应商的传感器和设备来补充我们的范围和系统,从而始终为客户创造好的解决方案。

电能质量分析和支持

1623893739668164.

获得测量数据后,我们的合作伙伴和电能测量专家一起进行分析,针对您的电能质量情况进行检查。 在涉及具体电能质量问题时,我们根据数据和多年的实践经验,帮您寻找可能的原因。

电能质量服务合同

1623893739549594.

我们为您提供全面的服务。 从电能质量技术支持到产品和标准培训,再到定期维护您的工厂。服务合同在这里为您提供高性价比和的方案,您可以完全专注于您的核心业务而把电能质量问题交给我们。

结论

没有一个一劳永逸的标准解决方案,这使得获得关于电能质量相关的详细信息并根据信息定制个性化解决方案显得尤为重要。 此外,必须确定要实现的电能质量目标, 这可以分步骤进行。 分配的预算取决于电能质量治理的阶段, 因此建议仔细规划。

文章版权备注

文章版权归 德国GMC-I高美测仪上海电励士 所有
未经授权,禁止任何站点镜像、采集、或复制本站内容,违者通过法律途径维权到底!
电能质量问题

诊断思路

全国统一服务热线

13817443004
立即咨询

产品研发技术中心,全球布局

拥有六十余年对电能质量测试产品研发经验
电能质量常见问题是否也影响到了您的正常生产?
WHETHER YOU ARE BOTHERED BY THE POWER QUALITY PROBLEMS BELOW?
我们关注您的每一个电能质量事件 >>>>>>>>
精确测量诊断 , 为电能质量治理提供数据支撑

我们提供电能质量咨询,测试,销售等一体化解决方案!

全国咨询热线

13817443004